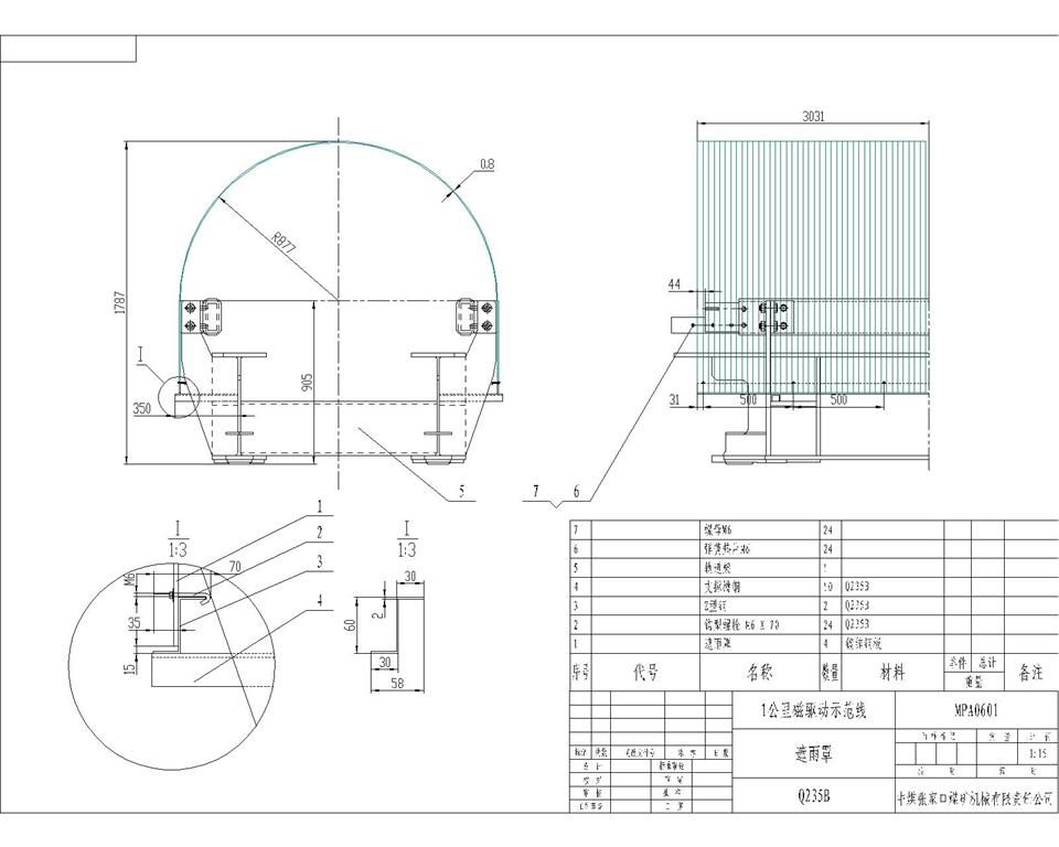
皮带机防雨罩安装示意图
皮带机防雨罩安装是一个很关键的步骤,我们通过图解和文字的方式为您介绍一下。
1、安装时依Ⅱ型—Ⅰ型顺序将皮带机防雨罩形成品字型搭接,从带式输送机一端向另一端安装;
2、安装时Ⅰ型在下,Ⅱ型在上,搭接一个波;
3、安装时安装人员不许站在罩上,安装和使用中应避免猛烈冲撞敲打;
4、皮带机防雨罩定位后,采用螺栓或夹具将罩子法兰边与输送机支撑板连接,每个罩子至少要有4个以上连接固定点;
5、皮带机防雨罩在运输和贮存中要堆放平整以免产品变形和损坏.
2、安装时Ⅰ型在下,Ⅱ型在上,搭接一个波;
3、安装时安装人员不许站在罩上,安装和使用中应避免猛烈冲撞敲打;
4、皮带机防雨罩定位后,采用螺栓或夹具将罩子法兰边与输送机支撑板连接,每个罩子至少要有4个以上连接固定点;
5、皮带机防雨罩在运输和贮存中要堆放平整以免产品变形和损坏.
皮带机防雨罩,胶带机,电机,输送机,粮食机械防护罩,防雨罩等我们都可以为您定制,欢迎咨询。